M5Stack M5Atom Joystick with M5AtomS3
M5Stack M5Atom Joystick with M5AtomS3
Shipping & Delivery Information
🚚 In-Stock Items: Orders for in-stock products are shipped within 24 hours after the order is placed.
📦 Pre-order Items: If a product is marked as "Pre-order", it means it is currently out of stock. We'll dispatch your order once we have restocked, usually within 10 working days. For special pre-sale items, the expected arrival date will be noted in the product description.
✈️ Express Shipping: Need your order urgently? Please contact us via email or live chat, and we’ll help arrange express delivery for you.
Let‘s dive into the details of the M5Atom Joystick, a versatile programmable remote controller designed for various applications:
1. Main Controller (AtomS3): The AtomS3 serves as the central processing unit for the M5Atom Joystick. Additionally, an STM32 co-processor handles specific functions.
2. Dual Joysticks with Hall Sensors:
-
The device features two 5-way joysticks, equipped with hall sensors for precise input.
-
These joysticks allow users to control movement in multiple directions.
3. Function Buttons:
-
The M5Atom Joystick includes two function buttons that can be customized for specific actions.
-
These buttons enhance flexibility and interaction.
4. Built-in RGB LEDs:
-
RGB LEDs are integrated into the joystick for status indication and human-machine interaction.
-
They provide visual feedback and enhance the user experience.
5. Battery Charging Circuits:
-
The device is equipped with two high-voltage battery charging circuits(TP4067 Battery Charge Chip).
-
Users can change the joystick conveniently.
6. Stamp Fly Compatibility:
-
The M5Atom Joystick comes pre-loaded with the Stamp Fly control firmware.
-
It communicates with the Stamp Fly quadcopter via the ESP-NOW protocol.
7. Open-Source Firmware:
-
The firmware source code is open-source, allowing customization and modification.
-
This makes the M5Atom Joystick suitable for various projects:
-
-
Drone Control
-
Robot Control
-
Smart Cars
-
DIY Creations
-
-
Product Features
-
STM32F030F4P6
-
Equipped with M5AtomS3
-
Compatible with Atom Lite, Atom Matrix, AtomS3 Lite, AtomS3
-
Dual joysticks, dual buttons, toggle switch
-
WS2812 RGB LEDs
-
Dual high-voltage lithium battery charging circuits
-
Battery detection
Includes
-
1x Atom JoyStick
-
1x 300mAh high-voltage lithium battery
Applications
-
Drone control
-
Robot control
-
Smart cars
-
DIY projects
Video
You may also like
Specifications
| Specification | Parameter |
|---|---|
| MCU | STM32F030F4P6 |
| RGB | WS2812C |
| Charging IC | TP4067@4.35V |
| Battery | 300mAh |
| Charging Current | 500mA |
| Button | Left/Right Button |
| Buzzer | Built-in Passive Buzzer@5020 |
| operating temperature | 0-40°C |
| Product Size | 84*60*31.5mm |
| Packaging Size | 162*99*36mm |
| Product Weight | 63.5g |
| Packaging Weight | 96.7g |
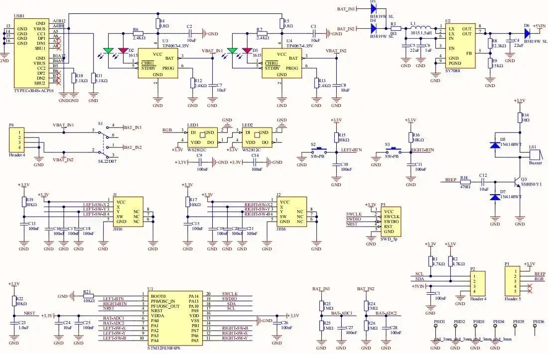
Schematic Diagram

- Pre-Ordering: If an item is unavailable, you can pre-order it. We'll dispatch once stock is replenished, usually within 10 working days. Special pre-sale products will specify the expected arrival time in the description.
- Express Shipping: Need it faster? Contact us via email or through our live chat support, and we'll arrange expedited delivery for you.
1. General Shipping Information
- We provide premium shipping methods with a tracking number for each order.
-
Shipping address should be input in English without any special symbols to help the courier company recognize your address in the system. We will ship according to the shipping address you provided. Please notify us of any address change before your order is marked "Shipped" to avoid parcel loss.
-
Please contact our customer service staff immediately if you need to cancel or change an order. Once your order has reached "Shipped" status, it can no longer be canceled or changed in any way. To avoid complications, please recheck your shopping cart before checkout.
-
We can ship all in-stock orders within 1 business day as your order has been confirmed.
-
All items are inspected before dispatch and are carefully hand-packed.
-
With standard courier practice, you need to check the contents of the parcel before signing for your goods. Otherwise, we will not be held responsible for any damage that may have occurred in transit.
2. Shipping Options for Germany, EU* countries and US
(For Products in Munich Warehouse, Long Beach Warehouse)
2.1 Orders with a value not exceeding €5:
Shipping Options:
| Shipping Options | Germany | EU* |
|---|---|---|
|
Deutsche Post |
€6 Arrive in 3-4 Business Days |
€15 Arrive in 5-9 Business Days |
| Shipping Options | Continental U.S. | Non-Continental U.S. |
|---|---|---|
|
USPS Ground Advantage |
€7.95 Arrive in 3-7 Business Days |
€8.95 Arrive in 5-9 Business Days |
|
UPS Express |
€13.95 Arrive in 2-4 Business Days |
€17.95 Arrive in 3-7 Business Days |
2.2 Shipping options for an order value between €5 and €30 inside Germany, €5 and €50 inside the EU, or €5 and €45 in the U.S.:*
Shipping Options:
| Shipping Options | Germany | EU* |
|---|---|---|
|
Deutsche Post |
€3.5 Arrive in 3-4 Business Days |
€6 Arrive in 5-9 Business Days |
|
DHL Paket |
€6 Arrive in 2-3 Business Days |
€15 Arrive in 3-7 Business Days |
|
DHL Express |
€14 Arrive in 1-2 Business Day |
€65 Arrive in 2-3 Business Days |
| Shipping Options | Continental U.S. | Non-Continental U.S. |
|---|---|---|
|
USPS Ground Advantage |
€4.95 Arrive in 3-7 Business Days |
€6.95 Arrive in 5-9 Business Days |
|
UPS Express |
€11.95 Arrive in 2-4 Business Days |
€13.95 Arrive in 3-7 Business Days |
2.3 Free shipping options for an order value of above €30 inside Germany, €50 inside the EU* or €45 in US :
| Free Shipping Options | Germany | EU* |
|---|---|---|
|
Deutsche Post |
Free Above €30 | Free Above €50 |
|
DHL Paket |
+ €2 for Above €30 / Free Above €60 | + €8 for Above €50 / Free Above €80 |
|
DHL Express |
+ €10 for Above €30 | + €60 for Above €50 |
| Free Shipping Options | Continental U.S. | Non-Continental U.S. |
|---|---|---|
|
USPS Ground Advantage |
Free above €45 | Free above €60 |
|
UPS Express |
+ € 8.95 for Above €45 | + € 11.95 for Above €45 |
-
Certain EU Countries are not included in our EU Zone definition: United Kingdom (excluding Ireland), Switzerland, Liechtenstein, Vatican City, Albania, Belarus, Norway, Ukraine, and Iceland. For the above countries, the International Shipping Rule applies.
- The regions in the Non-Continental U.S. include: Alaska, American Samoa, Guam, Hawaii, the Marshall Islands, the Northern Mariana Islands, Palau, Puerto Rico, the U.S. Virgin Islands, the Armed Forces of America, the Armed Forces in Europe, the Armed Forces in the Pacific, and the U.S. outlying islands. The shipping and delivery to these areas are subject to the Non-Continental U.S. shipping rules.
2.4 Shipping Options for International Countries:
(via Deutsche Post or YunExpress)
| Order Amount | International |
|---|---|
| €0 - €15 | €8 |
| €15 - €30 | €7 |
| €30 - €50 | €6 |
| €50 and above | €4 |
Important Notice:
- Please verify the inventory location on the product page before placing your order to confirm delivery timeframes.
- For products in the Shenzhen warehouse, we will typically first ship the products from the Shenzhen warehouse to our Munich warehouse or Long Beach warehouse, which will take around 1.5 weeks. After we receive the shipment in Munich/ Long Beach, we will send the items to you. We will only arrange YunExpress shipping from Shenzhen for orders with products in the Shenzhen warehouse worth more than €50.
- If you place an order with products from both Munich and Shenzhen warehouses, we will first ship the products in the Munich warehouse, and then send the remaining products to you when we receive them from Shenzhen.
3. International Warehouse
3.1 German Warehouse
3.2 US Warehouse
3.3 Chinese Warehouse
4. Customs and Taxes
4.1 How are customs handled by OpenELAB for import or export?
4.2 How is VAT charged when the Customer places an order from OpenELAB?
4.3 What kind of fee will be charged except VAT?
Effective Date: August 7, 2025
At OpenELAB, we are committed to providing accurate product descriptions and delivering high-quality products. If you experience any issues with your purchase, please notify us within 30 days of the shipment date.
1. Warranty Disclaimer
Unless explicitly stated in a specific agreement or purchase order, OpenELAB makes no warranties—express or implied—regarding the fitness, suitability, or merchantability of any product for a particular purpose or special use.
2. Warranty Policy
Warranty Period
The standard warranty period for products sold by OpenELAB is 12 months from the date of delivery.
Under this warranty, OpenELAB will make a reasonable effort to repair or replace products free of charge if defects are due to issues with raw materials, design, or manufacturing.
If the defect qualifies under this policy but falls outside the covered scope, reasonable charges may apply for repair or replacement.
After the warranty period, support may still be available at a reasonable fee.
Warranty Exclusions
The warranty does not apply in the following cases:
- The product is beyond the 12-month warranty period.
- Damage due to misuse, improper maintenance or storage, or failure to follow the user guide or manual.
- Issues caused by Force Majeure events (e.g., natural disasters, war, legal changes, etc.).
- Unauthorized repair attempts by the customer.
- The product is not defective but has been opened and is non-returnable by policy.
3. Returns & Refunds
If you're not satisfied with your purchase, you may be eligible for a return or exchange:
- Return for Refund: Within 15 days of receipt (unopened).
- Return for Replacement: Within 30 days of receipt (damaged or defective).
- Exchange Window: Up to 30 days from receipt.
Please email us at info@openelab.io for a return authorization before sending anything back.
Return Conditions
- Items must be in original, clean, and mint condition with packaging intact.
- Returns of damaged, used, scratched, modified, or programmed items will not be accepted.
- Include the receipt, a brief note with your name, order number, and reason for return.
Shipping & Fees
- Customers are responsible for return shipping to our warehouses in Europe, the US, or China.
- If a return is requested due to customer reasons (e.g., change of mind, incorrect order, etc.), both the original shipping cost and the return shipping cost will be deducted from the refund amount.
- For returns due to customer reasons, we will generate and provide a return shipping label.
Payment Platform Fees
For all refunds requested due to customer reasons, a standard service fee will be deducted from the refund amount, which is charged by the payment platforms. The specific fees are as follows:
Shopify Payments: 2.9% + €0.3
PayPal: 4.4%






