A unique card computer—Card Computer. The M5Stack Cardputer is a microcomputer equipped with a keyboard, display, wireless capabilities.
What is M5Stack Cardputer

Review




Power Supply

M5Stack Cardputer

Features
-
M5StampS3 Microcontroller.
-
56 key keyboard.
-
1.14 Inch TFT Screen.
-
Cavity speaker and SPM1423 digital MEMS microphone.
-
Infrared emission tube is used for infrared control interaction.
-
HY2.0-4P port for connecting and expanding I2C sensors.
-
Micro SD card slot for expanding storage space.
-
The built-in 120mAh and 1400mAh lithium battery in the base provide long battery life.
-
Base with magnet, compatible with Lego hole expansion.
Includes
-
1x Cardputer
-
1x M2 Hex Key
Applications
-
Fast functional verification and prototyping
-
Industrial control and automation
-
Home Control System
-
Data acquisition and sensor monitoring
-
Embedded system development and learning
-
Wireless communication and Internet of Things (IoT) projects

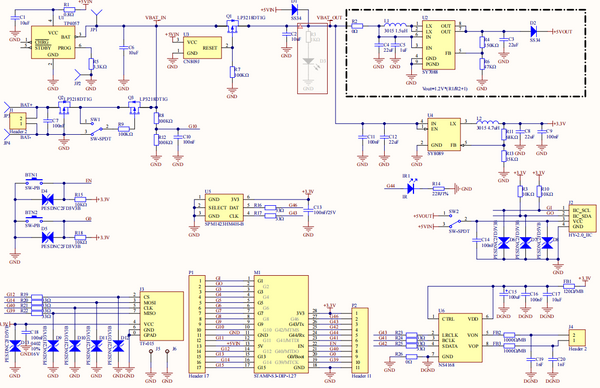
Schematic

PinMap
PORT A
SPM1423 MIC



Module Size

If you're working on a project using M5Stack Cardputer, our website offers a wide range of M5Stack Cardputer products, and we can also produce customized M5Stack Cardputer based on your requirements.
OpenELAB is a one-stop development platform for global AIoT electronics enthusiasts and an open-source community for electronic engineers. Besides providing developer modules online, our services also include customized manufacturing of various electronic parts such as micro switches and batteries, as well as plastic or metal parts through 3D printing, injection molding, CNC, laser cutting, etc.
In addition to M5Stack Cardputer, OpenELAB offers other electronic component sourcing services such as sensors, displays, IoT, and more. OpenELAB has a user-friendly website that makes it easy to find the components you need, and we offer fast shipping to customers around the world.
Moreover, OpenELAB offers Design as a Service (DaaS) for design optimization, Manufacturing as a Service (MaaS) for production manufacturing, Supply Chain as a Service (SaaS) for supply chain support, and Quality as a Service (QaaS) for quality control to AIoT products transitioning into mass production, ensuring a smooth transition to the commercial production phase.
Most importantly, OpenELAB is dedicated to building a global open-source community for AIoT electronic developers. Through the OpenELAB open community, developers in the AIoT electronic revolution can collaborate, empower each other, and create a culture of mutual respect and collaborative.